作者:Matthias Haag,Bernd Kohler,Jens Biesenbach,Thomas Brand, DILAS公司
對于光纖激光器泵浦和材料加工應用,半導體激光器的高亮度已經變得越來越重要。對OEM工業用戶來說,光纖耦合輸出裝置比直接輸出模塊具有很多優點:光纖輸出是一種標準接口,光束傳輸非常容易幾乎沒有限制。除了傳輸功能,光纖還具有均化光斑的作用:從光纖中輸出的激光光斑是對稱的,并且具有高度可重復性光束質量和指向穩定性。
然而,有效的光纖耦合需要合適的慢軸光束質量以滿足光纖的要求。基于標準的10mm陣列的半導體激光器系統,經常采用光束變換系統對高度非對稱的半導體激光器陣列或垂直疊陣的輸出光進行整形。這些光束變換系統(棱鏡組、透鏡組、光纖束等)價格昂貴,而且隨著復雜程度的提高,效率也在降低。尤其是對于具有較小光纖直徑的高功率器件來講,更是如此。此外,基于單管的系統具有降低成本的潛力,而光纖束亮度卻受限于固有的填充因子損耗。
德國DILAS公司已經開發了一種新型半導體激光器裝置,該裝置集半導體激光器陣列和單管的優點于一身:高亮度、高可靠性、具有單管的廉價結構。該器件的 核心是一個特殊設計的半導體激光器陣列(T-Bar),其晶體外延和側面結構被設計成僅需標準的快軸和慢軸準直透鏡組,就可以把光束耦合到直徑為 200μm的光纖中。在第一階段,有多達30個同一波長的T-Bars輸出被耦合到光纖中,其輸出功率大于500W。按照現在單管的發展,在 200μm光纖中的輸出功率有望達到1kW。
高亮度光纖耦合半導體激光器
芯片技術的不斷發展以及精密微光學系統的應用,使光纖耦合高功率半導體激光器(HPDL)可以在功率和亮度方面與燈泵固體激光器(solid laser)(LPSSL)相競爭。在不久的將來,半導體激光器將在很多應用中取代燈泵固體激光器(solid laser)。
目前半導體激光器的發展主要受到材料加工領域日益增長的需求的驅動。 另外,隨著很多應用將光纖激光器作為首選光源,也在一定程度上推動了對更高亮度光纖耦合泵浦模塊的需求。最終,高亮度泵浦源促使了光纖激光器輸出的高亮 度。對泵浦光源光束質量的要求與光纖激光器的設計直接相關,如泵浦光纖和增益光纖的布局。目前,大多數光纖激光器的設計采用兩種基本布局:

(一)單端泵浦和雙端泵浦結構
a)泵浦光束通過自由空間光器件被耦合到雙包層光纖的一端或兩端,高功率激光束通過雙色鏡輸出(圖1a)。
b)泵浦光束通過單模或多模光纖合束器(通常是6+1×1)被耦合到雙包層光纖中。
(二)側面耦合結構
a)一個或多個多模泵浦光纖與增益光纖在共同的包層中相連接。
b)分布式側面耦合:許多光纖耦合單管模塊(或最新包含兩個或三個單管模塊)被熔接到增益光纖的泵浦纖芯(圖1b)。
這些不同結構的特點在一些文獻中已有描述。所需泵浦光源的光束指標可以直接從增益光纖的設計中推導出來。泵浦光束的波長由增益光纖纖芯中的摻雜物質決定, 其光束質量(即光束參量積BPP,定義BPP=ω0θ;其中θ為半遠場發散角;ω0為半束腰直徑,ω0=d0/2)由泵浦纖芯(雙包層光纖)或泵浦光纖 (側面泵浦光纖)決定。
圖2給出了典型的光纖設計,并給出了數值孔徑(NA)和纖芯直徑。對于分布式側面耦合結構,泵浦光源的設計非常清晰:盡可能多地把功率從單管耦合到 125μm/NA 0.12的光纖中。對于其他需要更高功率水平的光纖結構,可以有多種選擇來制造合適的泵浦光源,比如使用單發射陣列激光器和錐形半導體激光器,但是大多數制造商主要采用兩種方法制造高亮度模塊:
(一)基于單管的泵浦光源
功率的提高或是在自由空間排布上利用空間復用多個單管,或是通過單級或多級光纖并束器。

(二)基于寬面積半導體激光器陣列的泵浦光源
自由空間排布的半導體激光器陣列被直接耦合到高數值孔徑的泵浦光纖中,或是通過光纖并束器把多個高亮度光纖器件合并以提高功率。
圖3給出了兩種設計方法的內在比較。在過去的幾十年間,制造商趨向于將半導體激光器陣列和單管的優點相結合。從半導體激光器陣列制造商方面來看,這種趨勢 最直接的驅動力來自于有競爭力的價格潛力和單管技術的長壽命。另一方面,單管制造商正在尋求用一個多單管陣列或標準陣列實現的光纖耦合器件。例如,應用于材料加工的每陣列具有4個單管的短條設計,以及用于光纖激光器泵浦的自由空間單管設計。
作為生產傳統封裝半導體激光器陣列的公司,德國DILAS融合了這兩種基本結構,在傳統的10mm陣列上實現了單管的很多優良特性。DILAS公司的最終 目標是在一個多功能模塊上以最小的成本/功率值實現最高的亮度,進而滿足泵浦光源與材料加工方面的應用。

T-BAR的設計
T-Bar代表定制的半導體激光器陣列。T-Bar是多個單管的半導體陣 列,其間距(兩個相鄰單管的中心距)和寬度的選擇是為了保證在不使用復雜光束整形器件的條件下,實現慢軸方向所需要的光束質量。在快軸方向,為了獲得最高 亮度的激光光斑、并耦合進光纖器件,在垂直方向上排布的半導體激光器陣列的數目要跟慢軸的光束質量相匹配。一般來說,T-Bar具有以下兩個主要特征:
●所有單管的慢軸光束參量積,都等于耦合光纖所需的光束質量;
●微光學系統的使用限制于快軸準直器和慢軸準直器,以減小畸變、提高填充因子。
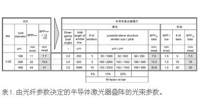
T-Bar的設計通常遵循以下典型步驟:首先定義光纖參量(直徑和數值孔徑),然后設計陣列的側面結構,最后確定與光纖匹配的半導體激光器陣列的數目。表1描述了三種不同的光纖直徑以及相對應的快軸和慢軸參數下的半導體激光器疊陣參數。
為了克服技術和成本方面的限制,T-Bar在研發中需要考慮以下方面:
A)成本
對于典型的光纖耦合半導體激光器模塊,其主要成本來源于半導體芯片和微光學系統。事實上,模塊的亮度越高,則微光學系統占據的成本比例就越大。對于一個使 用傳統的10mm半導體激光器陣列的200μm光纖輸出模塊,其微光學系統的成本很容易達到甚至超過總成本的50%。再加上準直和安裝費用,微光學系統占 據了總成本的60%以上。T-Bar研發的一個主要目標是在保持相同半導體芯片成本的前提下,將微光學系統的成本降到總成本的20%以下。只有去除為了重 新排列和旋轉每個單管的復雜的棱鏡和透鏡系統,并限制準直微光學系統的使用,才有可能降低成本。

B)冷卻
另一個直接影響成本/功率值的因素是在半導體激光器前端面獲得的功率密度。即使使用最先進的安裝技術(硬焊料),標準的商用10mm半導體激光器陣列可獲 得的功率密度的最大值為25W/mm。對于單管,目前可獲得的功率密度為50~100W/mm,預計最大可達200W/mm。這個差異主要是由熱因素導致 的:即使使用微通道熱沉,比如安裝在C-mount熱沉上,冷卻一個密集封裝的半導體激光器陣列的效率都要遠低于冷卻一個單管。
除了價格因素,冷卻效率也極大地影響半導體激光器的性能和壽命。實驗表明,在一個典型半導體激光器陣列中,相鄰單管的熱串擾導致了半導體內的絕大部分熱沉 積。這種現象對高填充因子的半導體激光器陣列(如50%)、非優化的熱阻和具有銅鎢基底(sub-mount)的硬焊料焊接的半導體激光器尤其明顯。解決 熱串擾的唯一辦法是增加單管之間的距離。然而從芯片層面來看,這與低成本相矛盾,因為大的間距意味著低填充因子。另外,當半導體激光器的填充因子降低 時,FAC和SAC透鏡的成本效率也降低。基于熱仿真的迭代方法被用來設計T-Bar,以尋找成本和性能之間的折中方案。

C)光束質量
所需陣列的光束參數,可以很容易地通過耦合光纖的直徑和數值孔徑計算得到。通常情況下,對于給定的外延結構和腔長,半導體激光器慢軸的發散角是電流的函數,也是光功率的 函數。只要確定了半導體激光器的工作點,其輸出光束的發散角就可以用來計算陣列的總長度,并實現一定的光束參量積。陣列長度以及冷卻限制決定了T-Bar 的側面結構。比如,一個500μm的單管的光束質量與五個平均分布在10mm半導體激光器陣列上的100μm單管相同。然而,冷卻低填充因子的半導體激光 器效率會更高。
除了冷卻因素,低填充因子不但提高了慢軸的準直性能,還提高了整個慢軸的光束質量。另一方面,假設使用類似的安裝技術,與短的高填充因子半導體激光器陣列 相比,一個長的低填充因子的半導體激光器陣列,在快軸光束畸變方面更容易受到彎曲的影響。DILAS公司的T-Bar,可以最大限度地滿足這些相互矛盾的 需求。
D)壽命
10mm半導體激光器陣列的典型壽命是10,000~20,000小時,這取決于工作模式和環境條件。與這些數字形成鮮明對比的是單管的壽命,一般都在 50,000小時以上。除了技術因素(冷卻、內部應力等)外,單管結構與半導體激光器陣列相比具有固有的優勢:電氣隔離和環境隔離。在一個半導體激光器陣 列上,一定數量的單管被緊湊排列、并行地連接在一起。如果沒有空間隔離和電氣隔離,將會出現致命情況:一個單管的失效,會因為短路或污染其他單管表面而導 致整個半導體激光器陣列失效。圖4給出了相關的關系圖,其中半導體激光器陣列上的單管以串聯形式排布。單管可以并行方式連接,這樣其中一個單管的失效不會 影響其他單管。因此,對于給定時間內完全并行連接的單管陣列,其基于MTTF計算的存活概率R(t)要遠高于半導體激光器陣列。

其中,MTTF為平均失效時間,F(t)為失效概率,n為串聯的半導體激光器數目。
實際上,單管和半導體激光器陣列的差異并不完全像圖4中的表格所描繪的那樣,因為到目前為止,并不是每一個單管的失效都會導致整個半導體激光器陣列失效。 然而,從統計的角度看,減少半導體激光器陣列上單管的數目,是提高壽命的有效手段。基于此,DILAS公司的T-Bar所包含的單管數目,比標準的半導體 激光器陣列要少。

500W/200μm樣機的設計與特性
T-Bar模塊的光學設計的突出特點是簡潔高效,這使每瓦的成本非常具有優勢。圖5給出了500W樣機的光學裝置圖。半導體激光器被排布成兩個偏振耦合模塊,每個模塊包含兩列交叉的二級管。為了配合前面和后面二級管的發射光束,裝置采用了一個新型光學元件,它不僅能偏轉每個半導體激光器發射的交叉光束,還能補償光程差。在慢軸方向,不需要進一步的光束整形;在快軸方向,為了在聚焦透鏡處形成對稱光束,光束通過一個柱透鏡望遠鏡實現壓縮。然后通過一組球面透鏡把光束聚焦到200μm的光纖中。
為了達到亮度水平,就需要一個剛性的、熱穩定好的機械裝置以保證器件可靠運轉。器件使用了一個可以包含所有光學支架和半導體激光器基板的硬質單框架模塊盒,來滿足其對硬度、緊湊性和簡單性的要求。光纖的中心位置決定了可以使用傳導冷卻光纖連接器。對兩個半導體激光器模塊和光纖基座的冷卻,是通過使用公共入水口實現的。被動冷卻方案允許使用工業水,但這是嚴格禁止在模塊內部使用的。圖6顯示了裝有初步高功率光纖適配器模塊的實物圖,其外觀尺寸為 250mm×150mm×40mm。

今后的主要工作是設計一個傳導冷卻的低成本光纖,使之能輸出1kW的連續光。目前還沒有這種光纖,所以仍在使用標準的QBH水冷高功率光纖。圖7 給出了第一臺模塊樣機的光學性能。功率電流(PI)曲線(圖7a)表明,在電流大約為39A時,在200μm光纖中可以獲得500W的功率輸出。目前開發 中遇到的主要問題是,增加電流會導致效率降低,并在PI曲線上出現明顯彎曲。
模塊輸出的均勻光譜(圖7b)表明,其可以高效地將熱量通過底板從每個熱沉傳導到冷卻水。
結論與展望
使用一種新型半導體激光器陣列設計方法,DILAS公司開發出了高亮度光纖耦合激光器模塊,低成本、簡潔、高效是其主要特征。首臺樣機可從200μm光纖 中輸出500W的976nm激光。T-Bar模塊系統集二級管陣列和單管的優點于一身,是極具潛力的光纖激光器泵浦源。
DILAS的下一個目標是改進半導體激光器和模塊的整體設計,特別是芯片的進步將有望大幅降低每瓦成本,并延長壽命。對于模塊樣機,100μm單管條,功 率限制在每個單管6W。在不久的將來,輸出功率有望達到10W,這對增加模塊的亮度以及降低每瓦成本都將產生積極影響,每瓦成本將小于20美元。
模塊設計的改進可以解決熱耗散與操作問題。降低二級管陣列和水循環之間的熱阻,對半導體的性能和壽命都有巨大影響。該項目研究了減少熱接觸面數目的新型安 裝技術,并使用了CVD鉆石以及復合材料。秉承著簡單操作的理念,DILAS最終想生產出能“任意使用的模塊”。今后的設計目標是完全免維護,并具有超長 壽命、體積更小的單管的使用,將有助于該目標的實現。
參考文獻:
1. S. Norman, M. Zervas, A. Appleyard, P. Skull, D. Walker, P. Turner, I. Crowe; “Power Scaling of High Power Fiber Lasers for Micromachining and Materials Processing Applications”; Proc. SPIE Vol. 6102, (2006)
2. H. Schlüter, C. Tillkorn, U. Bonna, G. charache, J. Hostetler, T. Li, C. Miester, R. Roff, T. Vethake, C. Schnitzler; “Dense Spatial Multiplexing Enables High Brightness Multi-kW Diode Laser Systems”; Proc. SPIE Vol. 6104, (2006)
轉載請注明出處。







相關文章
熱門資訊
精彩導讀





















關注我們




