半導體激光器是以半導體材料作為激光工作物質的激光器。它具有超小型、高效率、結構簡單、價格便宜以及可以高速工作等一系列優點。自1962年問世,特別是二十世紀80年代以來,發展極為迅速。它是目前光通信領域內使用的最重要光源,并且在CD、VCD、DVD播放機、計算機光盤驅動器、激光打印機、全息照相、激光準直、測距及醫療等許多方面都獲得了重要應用。
半導體激光器是注入式的受激光放大器。雖然它形成激光的必要條件與其它激光器相同,也須滿足粒子數反轉、諧振等條件,但它的激發機理和前面討論的幾種激光器截然不同。它的電子躍遷是發生在半導體材料導帶中的電子態和價帶中的空穴態之間,而不象原子、分子、離子激光器那樣發生在兩個確定的能級之間。半導體材料中也有受激吸收、受激輻射和自發輻射過程。在電流或光的激勵下,半導體價帶中的電子可以獲得能量,躍遷到導帶上,在價帶中形成了一個空穴,這相當于受激吸收過程。此外,價帶中的空穴也可被從導帶躍遷下來的電子填補復合。在復合時,電子把大約等于Eg的能量釋放出來,放出一個頻率為
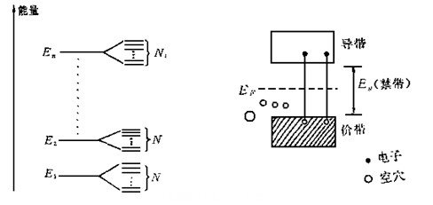
原子的能級對應著原子的不同運動狀態。實際上固體中原子之間相距不遠,由于原子間的相互作用,能級會分裂。在一個具有N個粒子相互作用的晶體中,每一個能級會分裂成為N個能級,其相互間能量差小到10-22eV數量級。因此這彼此十分接近的N個能級好象形成一個連續的帶,稱之為能帶,見圖(1)。
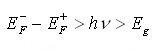
純凈(本征)半導體材料,如單晶硅、鍺等,在絕對溫度為零的理想狀態下,能帶由一個充滿電子的價帶和一個完全沒有電子的導帶組成,如圖(2)。二者之間是禁帶,那時半導體是一個不導電的絕緣體。隨著溫度的升高,部分電子由于熱運動激發到導帶中,成為自由電子。同時價帶中少了一個電子,產生一個空穴,相當于一個與電子電量相同的正電荷。在外電場的作用下,導帶中的電子和價帶中的空穴都可以運動而導電,二者都稱為載流子。#p#分頁標題#e#

圖(1) 固體的能帶 圖(2) 本征半導體的能帶結構
熱平衡時,電子在能帶中的分布不再服從玻爾茲曼分布,而服從費米分布,能級E被電子占據的幾率為
(1)式
其中
#p#分頁標題#e#在四價的半導體晶體材料中,摻以五價元素取代四價元素在晶體中的位置,這種摻雜的半導體叫做N型半導體。若在四價的半導體晶體材料中摻以三價元素,這種摻雜的半導體叫做P型半導體。N型半導體中,多出來的電子不能參與組成共價鍵,很容易成為自由電子,這使得在導帶的下方靠近導帶的地方形成新的能級,稱為施主能級。P型半導體中,由于三價元素少一個電子,其中一個共價鍵出現空穴,電子占據價帶的幾率增大,這使得在價帶的上方靠近價帶的地方增加出來新的能級,稱為受主能級。
雜質半導體中費米能級的位置與雜質類型及摻雜濃度有密切關系。為了說明問題,圖(3)給出了溫度極低時的情況。受主能級使費米能級向下移動(圖(3)(b)),施主能級使費米能級向上移動(圖(3)(d))。重摻雜時費米能級甚至移動到價帶(圖(3)(c))或導帶(圖(3)#p#分頁標題#e#(e))之中。這里已經假設溫度極低,因此重摻雜P型半導體中低于費米能級的能態都被電子填滿,高于費米能級的能態都是空的,價帶中出現空穴。這種情況叫做P型簡并半導體。反之,重摻雜N型半導體中低于費米能級的能態都被電子填滿,盡管溫度極低,導帶中也有自由電子。這種情況叫做N型簡并半導體。在非平衡條件下還會出現所謂“雙簡并半導體”,這時在半導體中存在兩個費米能級,如圖(3)(f)所示(詳見下面的討論)。

圖(3)費米能級的位置與雜質類型及摻雜濃度關系
當光照射到圖(3)所示的各種半導體時,在a—e的五種情況下,半導體中只有一個費米能級,在它之上沒有電子,在它之下已充滿電子,因此不會發生電子向沒有被電子占據的空態躍遷,而只會將外來光子吸收。在圖(3)f所示的情況下有所不同,兩個費米能級使得導帶中有自由電子,價帶中有空穴。如果外來光子的能量與上能帶中電子和下能帶中空穴之間的能量差相同,則會誘導導帶中電子向價帶中空穴躍遷而發出一個同樣的光子。當外來光子的能量大于兩費米能級
(2)
轉載請注明出處。








相關文章
熱門資訊
精彩導讀





















關注我們




