窄線寬連續激光器廣泛應用于原子、分子以及物理光學領域,在精密測量設備中有著舉足輕重的作用。那些并不帶有波長穩頻技術的激光器,其短時間穩定性不適合很多應用。本文檔將會給您介紹一種簡單而強大的主動穩頻技術,控制并且穩定連續激光的波長,使其成為高精細光學諧振腔。精密光譜學和原子分子操控技術得益于該穩頻技術,并且在過去的幾十年發展迅猛。
影響激光器頻率穩定性的因素有很多:溫度變化、機械震動、大氣變化、磁場等等。穩頻的本質是保持諧振腔光程長度的穩定性。
下文中我們會介紹如何搭建激光穩頻的閉環控制系統及其特點,和所需要的設備。
閉環控制基礎
一個基本的反饋控制系統如下圖描述。激光器輸出的一部分光被探測器采集(鑒頻器),輸出誤差信號,伺服控制器分析采樣,并與標準頻率對比,自動調節腔長,將激光頻率恢復到特定的標準頻率上,從而實現穩頻的目的。

不同的激光器頻率固有噪音以及線寬差異很大,主要依賴于諧振腔的設計,增益介質的特性,以及一些其他參數,比如固體激光器的泵浦源的波動,機械振動等等。在半導體激光器系統中,較大的自發輻射速率也會帶來頻率/相位的噪音。
為了探測到激光器的頻率的波動,就需要一個非常穩定的參考頻率做比較。常用的做法是利用一個高精細結構的法布里—珀羅腔,可以提供一定時間內的穩定性。法布里—珀羅腔的共振頻率(Vm)取決于腔長L,可以表述為:Vm = m(c/2L)。諧振腔的機械結構隨著時間會有漂移(長時間穩定不會很好),但是可以提供很好的短期穩定性(~秒)。為了將激光器的頻率緊緊地鎖在法布里—珀羅腔的共振頻率上,必須要能快速的探測到該共振信號,并且具有較高的信噪比SNR。這是反饋系統中最具有挑戰的地方,而且會決定整個系統的性能。

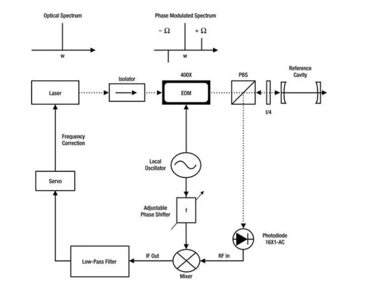
PDH實驗圖,EOM是電光調制器,
PBS:偏振分光鏡,1/4:四分之一波片
激光器的頻率和參考共振頻率的差異經過鑒頻器會轉化為電壓信號,鑒頻器的轉換效率D的單位為V/Hz。鑒頻器輸出的電壓,或者稱為“誤差信號”,可以有好幾種方法獲得。最好的辦法是用F-P腔的相位特性穩頻(Pound-Drever-Hall,PDH)。首先利用電光調制器對激光做相位調制,在激光載波兩側產生兩個振幅相等,相位相反的邊頻(忽略高階邊頻)。F-P腔完全與入射激光共振時,兩邊頻被F-P腔反射的強度相等,它們與載頻產生拍頻后的信號大小相等,相位相反,故完全抵消,輸出誤差信號為零。如果入射激光與F-P腔不完全共振,兩邊頻被F-P腔反射的強度不等,拍頻的信號相位相反,但強度不等,故輸出誤差信號不為零。誤差信號經過校正電路輸出到腔長控制器中,從而調節激光器諧振腔。
![N8}[FJWY])B9%NORU9E20)L](http://www.shouder.cn/file/upload/201606/21/16141246190.png)
PDH穩頻控制中需要使用要求比較苛刻的產品,New Focus可以提供絕大部分,包括相位調制器(New Focus 型號4001或者4003),低噪音光電探測器(型號16x1-AC系列)。
小結
上述穩頻方法可應用于New Focus可調諧半導體激光器TLB-7100,TLB-6700,TLB-6800系列。根據上述方法,自己搭建穩頻系統,可以在一定程度上提高頻率穩定性,但是僅僅作為一種穩頻的開始。如果您需要讓激光器達到更優越的性能,那么您需要考慮更多因素,如更高端的伺服控制系統,更具穩定性的參考諧振腔結構等。
轉載請注明出處。







相關文章
熱門資訊
精彩導讀



















關注我們




