1 引言
近幾年來,機床在金屬切削加工中占有主導地位,而且成為衡量一個國家國民經濟發展和工業制造整體水平的重要標志之一。主軸是機床構成中的一個重要部分,對于提高加工效率,擴大加工材料范圍,提升加工質量都有著很重要的作用。目前機床主軸電機大多采用交流主軸電機,通過皮帶傳動帶動主軸旋轉,或通過皮帶傳動和主軸箱內的減速齒輪(以獲得更大的轉矩)帶動主軸旋轉。為提高機床加工效率,減少加工零件之間的工藝時間,一般主軸制動采用機械制動方式,但是由于主軸慣性大,停車時間長,剎車部件很容易磨損,因此必須定時檢查,定期更換。
2 系統組成
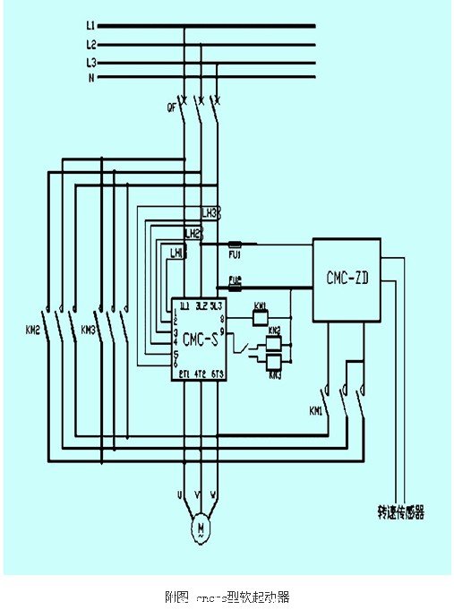
主軸電機控制系統選用西安西馳電氣有限責任公司生產的cmc-s型軟起動器(該款軟起動器具有多種起動方式、模擬信號控制功能、中英文顯示界面,并配有先進的rs-485通訊接口等特點)和cmc-dz制動單元,如附圖所示。通過設定軟起動器內部參數,起動時主軸電機無級調速起動,避免了對車間供電系統的影響,減小機床內部機械沖擊;停車時配合cmc-dz制動單元使主軸電機在設定時間內準確平穩的停止,減少了加工零件之間的工序時間。從而提高了機床工作效率,延長了使用壽命。

3 軟起動器參數設置
使用cmc-s軟起動器時,一般將下列參數設定為:
起動時間 1m00 5s
初始電壓 1m01 20s
剎車時間 1m06 3s
電流限幅值 1m08 2.5倍
其余參數可按說明書設定。
4 軟起動器控制過程
當設置完參數后,機床主軸電機可在設定時間內,從零轉速到額定轉速無級平滑地起動。起動完畢后,軟起動器停止輸出,旁路接觸器閉合(正、反轉通過旁路兩個接觸器km2、km3實現)。此時軟起動器轉為監控狀態,對主軸電機運行進行保護。
主軸電機停車時,cmc-s軟起動器配合cmc-dz制動單元實現制動停車。cmc-dz制動單元帶有信號采集、pid控制,且屬能耗制動方式,在主軸電機三相繞組間輸入直流電(需設置輸出電壓)。機床停車時,軟起動器控制旁路接觸器km2或km3斷開,剎車制動節點閉合,km1閉合,制動單元輸出端接通主軸電機回路,dz制動單元通過安裝在主軸上的轉速#p#分頁標題#e#傳感器對電機轉速進行檢測并通過采樣來的轉速信號,以調節輸入主軸電機的直流電壓。在設定剎車時間內,當電機轉速較高時,制動單元輸出電流大,零轉速時輸出電流也降為零,從而使其主軸準確平穩地停止。
5 結束語
此軟起動控制系統能夠準確可靠地判別機床主軸的旋轉狀態,避免了機床的誤動作,減少了主軸加工的輔助時間,使機床的保護性能更趨于完善。減少了機床制動過程中機械零件的碰撞,延長了檢修周期,節省了人力﹑物力開支。在西安昆侖廠﹑寶雞機械廠等用戶中得到了一致好評。
轉載請注明出處。








相關文章
熱門資訊
精彩導讀





















關注我們




