在數控機床中,許多功能是由可編程邏輯控制器(PLC,簡稱可編程控制器)來進行控制的。本單元主要介紹PLC在數控機床中的應用。這樣可以讓準備從事這一項工作的閱讀者,基本了解掌握數控機床PLC的控制對象、了解數控PLC的形式、掌握數控機床常用輸入/輸出元件的作用和工作原理。

一、數控機床 PLC 的控制對象
1.數控機床控制部分的分類
數控機床控制由兩大部分組成:一部分是坐標軸運動的位置控制,另一部分是數控機床加工過程的順序控制。 在討論 PLC、CNC 和機床各機械部件、機床輔助裝置、強電線路之間的關系時,常把數控機床分為“NC側”和“MT側”(即機床側)兩大部分。“NC側”包括CNC系統的硬件和軟件以及與CNC系統連接的外部設備。“MT側”包括機床機械部分及其液壓、氣壓、冷卻、潤滑、排屑等裝置,機床操作面板,繼電器線路,機車的強電線路等。PLC則處于CNC和MT之間,對NC側和MT側的輸入、輸出信號進行處理。 MT 側順序控制的最終對象是隨數控機床的類型、結構、輔助裝置等的不同而有很大的差別。數控機床機構越復雜,輔助裝置越多,則最終受控對象也越多。一般來說,最終受控對象的數量和順序控制程序的復雜程度從低到高依次為CNC車床、CNC銑床、 加工中心、FMC、FMS。

2.PLC 在數控機床中的配置方式
PLC 在數控機床中有三種不同的配置方式,說明如下。
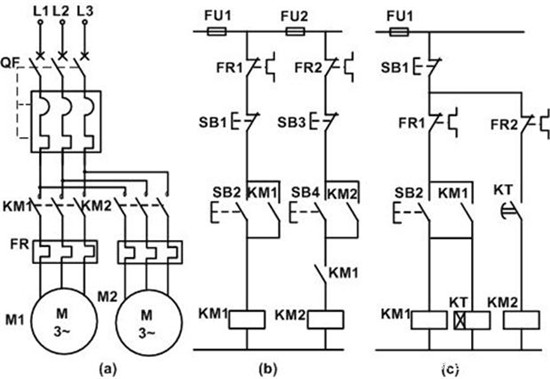
(1)PIC 在機床一側,代替了傳統的繼電器一接觸器邏輯控 個輸入/輸出(IO)點,如下圖 1.1 a)所示。

(2)PLC 在電氣控制中,PLC有m 個輸入/輸出(I/O點,如上 圖1.1 b)所示。
(3)PLC 在電氣控制柜中,而輸入/輸出接口在機床一側,如上圖1.1 c)所示。這種配置方式使 CNC 與機床接口的電纜大為減少。 下圖 1.2 所示為數控機床PC 輸人/輸出信號示意圖。

3.數控機床的輸入/輸出信號
(1)機床操作面板控制。
將操作面板上的控制信號直接送入數控系統的接口信號區,來控制數控系統的運行,其中包括M、S、T 功能。 1) S 功能處理。主軸的轉速可以用S 二位代碼或四位代碼直接指定。在PLC中可容易地用四位代碼直接指定轉速。例如,某數控機床主軸的最高、最低轉速分別為 3150r/min和20r/min,CNC送出S四位代碼至PLC,將十進制數轉換為二進制數后送到限位器,當S大于3150時,限制S為3150;當S 代碼小于 20時,限制S為20。此數值送到數字/模擬(D/A)轉換器,轉換成 20~3150r/min 相對應的輸出電壓,作為轉速指令,以控制機床主軸的轉速。

2) T 功能處理。
數控機床可以通過 PIC 管理刀庫進行自動刀具交換。處理的信息的內容包括刀庫選刀方式、刀具累計使用次數、刀具剩余壽命和刀具刃磨次數等。
3) M 功能處理。
M 功能是輔助功能,根據不同的M 代碼,可控制主軸的正、反轉和停止,主軸齒輪箱的換擋變速,主軸齒輪箱的換擋變速,主軸準停,切削液的開、關,卡盤的夾緊、松開及換刀機械手的取刀、歸刀等動作。

(2)機床外部開關信號的控制。將機床側的控制開關信號發送至 PLC,經過邏輯運算后,輸出給控制對象。這些控制開關包括按鈕、行程開關、接近開關、壓力開關和溫控開關等。
(3)輸出信號控制。PIC 輸出的信號是經繼電器、接觸器或液壓、氣動電磁閥對刀庫、機械手和回轉工作臺等裝置進行控制,另外還有冷卻、潤滑和油泵電動機等的控制。

(4)伺服控制。控制機床主軸、伺服進給及刀庫驅動的使能信號,以滿足伺服驅動 的條件。
(5)報警處理控制。當出現故障時,PLC 收集強電柜、機床側和伺服驅動裝置的故障信號,將報警標志區中的相應報警標志位置位,數控系統便顯示報警號和報警文本,以方便對故障進行診斷。
轉載請注明出處。








相關文章
熱門資訊
精彩導讀





















關注我們




