交叉滾子導軌[SGE型]



|
安裝連接尺寸 |
||||||||||||||||||||||||||||||||||||||||||||||||||||
1=2×11+n0×12 1max=1120 n=每個滑座上的滾軸數 |
||||||||||||||||||||||||||||||||||||||||||||||||||||
轉載請注明出處。
星之球科技 來源:煙臺同升科技2011-08-03
我要評論(0 )
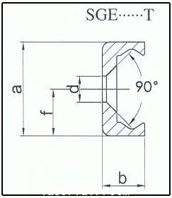
交叉滾子導軌[SGE型] 安裝連接尺寸 參數 型號 H W 導軌 滑座 a b f d D h I1 I2 C C1 M h1 A L n SGE18 15 14.5 18 8.3 9 5 9.5 2 40 80 20 20 M4 5.5 11 60 3 100 5 14...
交叉滾子導軌[SGE型]



|
安裝連接尺寸 |
||||||||||||||||||||||||||||||||||||||||||||||||||||
1=2×11+n0×12 1max=1120 n=每個滑座上的滾軸數 |
||||||||||||||||||||||||||||||||||||||||||||||||||||
轉載請注明出處。
① 凡本網未注明其他出處的作品,版權均屬于激光制造網,未經本網授權不得轉載、摘編或利用其它方式使用。獲本網授權使用作品的,應在授權范圍內使
用,并注明"來源:激光制造網”。違反上述聲明者,本網將追究其相關責任。
② 凡本網注明其他來源的作品及圖片,均轉載自其它媒體,轉載目的在于傳遞更多信息,并不代表本媒贊同其觀點和對其真實性負責,版權歸原作者所有,如有侵權請聯系我們刪除。
③ 任何單位或個人認為本網內容可能涉嫌侵犯其合法權益,請及時向本網提出書面權利通知,并提供身份證明、權屬證明、具體鏈接(URL)及詳細侵權情況證明。本網在收到上述法律文件后,將會依法盡快移除相關涉嫌侵權的內容。
相關文章
網友點評
熱門資訊
精彩導讀
關注我們