風冷系列(打標10W~50W)保養措施
1、安裝激光器時切勿使激光器入風口或出風口與機殼靠得太近,需留出足夠空間,確保空氣流通。

2、機箱內部需安裝散熱風扇,使機箱內部空氣實現對流,如室內環境溫度超過30℃,建議安裝空調,避免激光器在高溫下工作。

3、定期對激光器保養,每月定期用氣槍吹激光器出入風口,定期清理機柜上的防塵網,防止激光器風口被灰塵堵住影響散熱。

風冷系列(200W~300W)裝配空間要求說明
1、系統風道獨立,否則會形成風道短路,如圖1粉色尖頭所示。

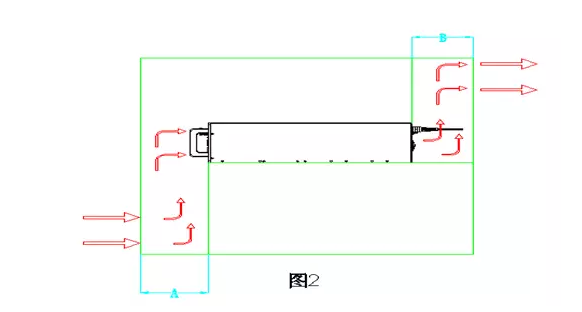
2、間距A、B要求:
a.若機柜在產品進、出風口正對應區域添加開孔,則尺寸無要求。如圖1紅色風道示意;
b.若如圖2所示風道,尺寸A、B不小于50mm。
3、系統風路過長,導致系統風阻過大,影響產品散熱性能;
4、系統進風口添加防塵網,影響產品熱性能5~10℃。
5、建議根據環境狀況每兩周或一周對防塵網進行清理。

1、定期換水、換濾芯(3個月為一個周期、使用蒸餾水)。
2、冷水機溫度最佳設定為26度左右(溫度設定過高時冷卻力度不夠激光器會頻繁提示報警、過低激光器內部會結露造成內部器件損壞)。
3、建議機柜安裝在空調房內,空調房室溫設置在26℃,濕度保持在50%以下,保證機柜內部電器恒溫。
轉載請注明出處。








相關文章
熱門資訊
精彩導讀





















關注我們




