0 引言
該應力傳感器的設計是智能張拉設備研制過程中的一個重要環節。預應力張拉涉及到環境、磨損等諸多方面的因素,是一個非線性的傳遞過程。預應力張拉精度直接影響著預應力構件的安全和壽命。所以,張拉過程一旦失控,輕則引起構件錨固端的縱向裂紋或構建應力不足,日后構件發生形變,重則引起構件裂痕,或者拉斷預應力筋等重大事故。張拉過程中,準確地測量預應力是關鍵的一步。
在傳統的預應力測量過程中,預應力的獲取是通過油泵驅動千斤頂對預應力鋼筋進行張拉,預應力的是通過測量油泵的油壓間接獲取的,然后進行人工讀數。存在讀數慢、預應力獲取需要轉換、傳輸過程有損耗等缺點。新型應力傳感器是針對傳統預應力張拉設備的缺點進行設計的。通過該傳感器,將預應力鋼筋受到的張拉力轉化為電壓信號,經西門子模數轉換模塊EM235 CN輸入處理器進行處理。該傳感器精度高、讀數快,最大限度地減少了測量誤差。
1 傳感器機械結構設計
1.1 結構描述
圖1為新型專用應力傳感器的彈性元件結構圖。該應力傳感器是根據QFZ600-25型張拉千斤頂進行設計的穿心式傳感器,配合千斤頂、張拉油泵及配套錨具完成對中、錨固和測力三項功能。傳感器的核心部件由彈性元件和電阻應變電橋構成。彈性元件材料為40CrMnTi鋼。箔式應變片在粘貼時需要硅膠進行保護,防止因振動等外部因素引起的脫落。信號線采用四芯屏蔽電纜,有助于降低外部強電信號的干擾。

圖1 應力傳感器彈性元件
1.2 基本原理
圖2為應力傳感器工作原理圖,千斤頂在油泵的驅動下進行錨固作用,其張拉力量的大小通過在千斤頂和錨具之間應力傳感器獲取。應力傳感器在軸向受到擠壓后發生形變,粘貼于彈性元件表面的電阻應變片阻值發生變化,從而引起電橋自平衡狀態到不平衡。根據受力的大小,電阻值有相應的變化,電橋輸出相應的電壓值。電橋的穩定性等因素,我們在設計傳感器電路作重點研究。
1.錨具 2.專用應力傳感器
3.張拉千斤頂 4.預應力鋼筋

圖2 應力傳感器應用原理圖
預應力鋼筋強度標準值fpk,根據預應力鋼筋材料的不同而改變,fpk最大取值為1860Mpa。具體設計時,張拉控制應力σcON可采用小于0.75fpk(或0.9fpk),但不應小于0.4fpk.。我們在設計應力傳感器時,考慮到損耗及過張拉等因素,取傳感器可控最大張拉應力為1860Mpa。應力傳感器和QFZ600-25型千斤頂中間位置的通孔直徑為43mm,設計最大可張拉預應力鋼筋直徑20mm,千斤頂提供最大為600KN的張拉力。則應力傳感器應能夠承受的最大壓力fmax見公式(1):
(1)
r為可張拉預應力鋼筋直徑。
2 傳感器電路設計
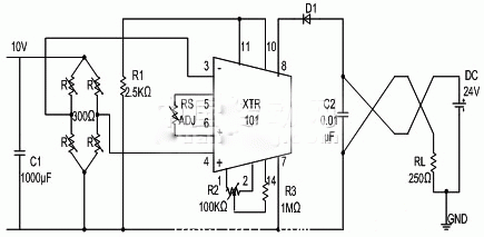
圖3為應力傳感器的電路圖。電阻應變片組成測量電橋,彈性元件受力,電橋失去平衡。由于該輸出信號是毫伏級信號,若不加以變送,則在傳輸過程中,信號很容易受到外部信號的嚴重干擾。為了解決這一問題,我們采用變送器將該毫伏信號轉變成4-20mA的電流信號,該變送器的芯片是BURR-BROWN公司生產的XTR101。利用阻值為250歐姆的負載電阻將輸出電流信號轉變成電壓信號,然后將轉變后的電壓信號作為西門子模數轉換模塊EM235 CN 的模擬量輸入信號。

圖3 傳感器電路圖
用e2表示pin4、pin6點的電壓,e1表示pin3、pin5點的電壓,則輸入電壓見公式(2):
調節電阻RS的取值,可以實現對測量電橋漂移的補償。
R2、R3是調零電阻,當電壓輸入為零,輸出電流不為4mA時,調節R2,使電流輸出為4mA。電容C1對傳感器的電源進行濾波。
3 結果分析
我們用壓力試驗機對該傳感器進行四次張拉試驗,記錄了不同的壓力下相應的輸出電壓VRL(見表1),將在相同的壓力值下的輸出電壓取平均值。根據壓力取值和平均輸出電壓值,我們擬合出一個反映壓力值和電壓值的特性曲線,該曲線為我們編制張拉控制程序提供了重要的依據。
表1壓力傳感器的標定


圖4 壓力值與輸出電壓值關系曲線
圖4為壓力值和輸出電壓值的關系曲線,雖存在電橋電路的非線性,電阻應變片的非線性和彈性元件的非線性等因素,但由傳感器工作特性曲線我們可以看出,在重要工作區間(1~500KN),壓力值和輸出電壓值存在較好的線性關系。
4 結束語
該新型專用應力傳感器適用于張拉過程中預應力的測量,結構簡單,測量精度較高,很好地解決了智能內應力測量系統中的預應力測量問題,具有成本低,穩定性能好等特點。
轉載請注明出處。








相關文章
熱門資訊
精彩導讀





















關注我們




