被業界認為是第五代WiFi的802.11ac正在呼之欲出,它與之前的WiFi標準制式有哪些方面的不同,為什么會被業界如此看好,讓我們先來了解一下WiFi和WLAN的歷史。
無線局域網(WLAN)推行之初被普遍認可的兩個國際標準是IEEE802.11a和802.11b。最初設計這些標準的目的是為滿足便攜式電腦在家和辦公室環境中可隨意移動的要求。隨后,在一些機場、酒店、咖啡屋和購物廣場也開始允許通過無線接入(商業命名為Wi-Fi),隨時隨地上網、查詢電子郵件等,擴展了無線寬帶的功能。雖然無線寬帶連接的數據速度曾經很有限,例如,802.11a在5 GHz頻段可提供的最高速率是54 Mbps,而 802.11b在2.4 GHz只有11 Mbps,但這兩個頻段都是免費的,即不需要授權的。為了盡量減少來自其它同頻設備的干擾,這兩個標準都采用了擴頻傳輸技術和比較復雜的編碼技術。2003年, IEEE(美國電氣及電子工程師學會)頒布了802.11g,依舊工作在2.4 GHz頻段,但是數據速率可以達到54 Mbps。與此同時,一種新的應用模式即在家庭和小型辦公室里可連接多個設備并在設備間進行數據共享,對無線局域網的數據傳輸速率提出更高要求,從而使得一個新的研究項目應運而生,這就是于2009公布的802.11n的由來。為了使單信道的數據速率最高可以超過100 Mbps,在802.11n標準中引入的MIMO (即多輸入-多輸出,或空間數據流)技術,利用物理上完全分離的最多4個發射和4個接收天線,對不同數據進行不同的調制/解調,來達到傳輸較高的數據容量的目的。
在表1中例舉出了當前一些比較超前的應用模式,這些模式需要更高的數據傳輸量來支持“無線辦公”的要求。
表1,新型WLAN應用模式
|
種類 |
使用模式 |
|
無線顯示 |
· 臺式機的存儲和顯示 · 會議室或禮堂電視或投影儀連接 · 室內游戲 · 攝像機到顯示器的媒體播放 · 專業高清電視播放顯示 |
|
分布式高清電視 |
· 家庭內視頻傳播 · 大型運輸設備內部應用(如飛機,輪船等) · 辦公室內無線網絡 · 遠程醫療 |
|
快速上傳和下載 |
· 快速文件傳輸/同步 · 圖像瀏覽 · 飛機停靠時相關數據的傳輸(如旅客名單,油量,餐食等等) · 向移動設備下載電影 · 警用監控數據傳輸 |
|
回程 (Backhaul) |
· 多媒體網絡回程傳輸 · 點對點的回程傳輸 |
|
室外廣場或室內禮堂 |
· 室外的視頻演示/室內禮堂的遠程視頻(遠地視頻)傳輸 · 公共安全網絡 |
|
制造平臺 |
· 自動化測試 |
#p#分頁標題#e#
為了滿足以上這些需要,IEEE內部設立了兩個項目工作組,以“極高吞吐量(Very High Throughput)”為目標進行立項研究。其中一個工作組 (Working Group) TGac是以802.11n標準為基礎并進行擴展,制定出802.11ac,即在5GHz的頻段上,數據吞吐量目標為:在單通道鏈路上的最低速率為500 Mb/s,最高可達到1Gbps。另一個工作組 TGad與無線千兆比特聯盟(Wireless Gigabit Alliance)聯合提出802.11ad的標準,即在60GHz的頻段上使用大約2 GHz頻譜帶寬,這一尚未使用的頻段可以在近距離范圍內實現高達7 Gbps 的傳輸速率。(60GHz頻率的載波穿透能力差,信號衰減嚴重,傳輸距離與覆蓋范圍都受到限制)。另外還有與現有設備的兼容性,在相同頻段上與現有標準的后向兼容都是標準組織“必須”考慮的問題。802.11系列標準的目標之一就是后向兼容,對于802.11ac和ad來說主要考慮媒介控制層(MAC)或數據鏈路層與之前的標準的兼容性,而不同的只能是物理層上的特性。 (如圖1)。 對于WLAN的設備可以支持三種無線制式:一般用途的使用在2.4GHz頻段,但會受到同頻干擾的問題;更穩定和較高速率的應用在5 GHz頻段,使用60GHz頻段用于室內的超高速率的應用,同時還能支持在這三種制式之間的轉換。這兩個新的標準目前都有技術草案。802.11ad的標準計劃于2012年底完成,而208.11ac于2013年底完成。不管怎樣,預計依照這些草案標準而設計的產品都會先于最終標準在市場上出現。
由于這兩個標準分別基于5GHz 和60 GHz,將會體現在物理層的屬性完全不同,所以,本片文章主要是針對802.11ac進行介紹。
802.11ac與802.11n的技術區別
802.11ac的物理層是對802.11n標準的延續,而且要滿足后向兼容。下面我們來著重探討一下在802.11ac上的變化。表2列出802.11n的物理層的主要特點,表3則列出了在802.11ac上主要擴展的方面。理論上說802.11n在使用了40MHz帶寬和4個空間流可以達到最高600 Mbps的數據速率,盡管目前很多無線設備只能支持2路空間流。對于802.11ac來說,理論上使用160 MHz帶寬,8個空間流,MCS9編碼,256QAM調制,最高速率能達到6.93 Gbps。而真正可以使用的數據速率大概是1.56 Gbps。
表2,IEEE802.11n 主要特性
|
特征 |
必選項 |
可選項 |
|
傳輸方式 |
OFDM |
|
|
信道帶寬 |
20 MHz |
40 MHz |
|
FFT 大小 |
64 |
128 |
|
數據子載波/導頻個數 |
52/4 |
108/6 |
|
子載波間隔 |
312.5 kHz |
|
|
OFDM符號持續時間 |
4 us (800 ns保護間隔) |
3.6 us (短保護間隔) |
|
調制方式 |
BPSK,QPSK, 16QAM,64QAM |
|
|
前向糾錯編碼 |
二進制卷積編碼(BCC) |
低密度奇偶校驗編碼 (LDPC) |
|
編碼速率 |
1/2, 2/3, 3/4, 5/6 |
|
|
MCS支持 |
0 到7, 0 到15 用于接入點 |
8到76, 16 到76用于接入點 |
|
空間流和 MIMO |
1,2用于接入點 直接映射 |
3或4, 發射波束賦形,時空塊編碼 |
|
運行模式/PPDU 格式 |
HT/non-HT(802.11a/b/g)/ Mixed HT-mixed(802.11a/b/g/n) |
Greenfield/HT-Greenfield(僅802.11n) |
#p#分頁標題#e#
表3, IEEE802.11ac 的主要特性(黑體字是ac新增加的)
|
特征 |
必選項 |
可選項 |
|
信道帶寬 |
20 MHz, 40 MHz,80 MHz |
160 MHz, 80+80 MHz |
|
FFT 大小 |
64,128, 256 |
512 |
|
數據子載波/導頻個數 |
52/4,108/6, 234/8 |
468/16 |
|
調制方式 |
BPSK,QPSK, 16QAM,64QAM |
256QAM |
|
MCS支持 |
0 到7 |
8和9 |
|
空間流和MIMO |
1 |
2 到8 發射波束賦行, 時空編碼,多用戶MIMO (MU-MIMO) |
|
運行模式/PPDU 格式 |
極高吞吐率(VHT) |
|
#p#分頁標題#e#
如圖1.所示,這是在美國地區針對新寬帶信道需求的一個頻譜的圖,其中也包括了一個80+80MHz的非連續帶寬的模式。主要原因是從5490 MHz到5730 MHz的這段頻譜中有一部分已經被氣象雷達占用,為了避免相互的干擾,只能選用不連續的兩個80 MHz帶寬組合成160 MHz的帶寬。這兩種情況都被列入標準中作為可選項。

圖1. IEEE 802.11 ac在美國地區的頻帶分布
802.11ac對于20和40 MHz帶寬的定義與802.11n是一致,即子載波和導頻數和它們的位置都不變,這也是這兩種標準相兼容所必須的條件。對于802.11ac標準中新的內容,不管是80MHz,160MHz還是80+80 MHz,與80 MHz有著同樣的定義方法,只不過后兩者考慮是的是2個80 MHz信道的載波分配。
從幀結構上看,802.11ac的系統能夠探測接入設備的幀結構里所包含的前導碼(preample)和導頻信號 (pilot),來區分接入設備使用的是何種標準,并自適應,這就是后向兼容。802.11n和802.11ac的幀結構如下圖 (圖2)。
圖2. 802.11n 與802.11ac的幀結構的對比
從這兩個幀結構里可以看到,最前面的3個部分:短碼部分(short training field-STF),長碼部分(long training field-LTF)和信號部分(signal field-SIG) 是用來兼容現有標準的(即802.11a/b/g/n),也就是它們都有一個開頭字母L,代表的Legacy的含義。第四個部份VHT-SIG-A第一個碼字是BPSK調制信號,而第二個碼字則旋轉了90°,為QBPSK,用來區分HT 和VHT模式。在802.11ac中的VHT-STF用來改善在MIMO傳輸中的自動增益控制。緊跟在VHT-STF后面的是VHT-LTF,即長訓練序列,它為接收機提供了在發射天線和接收天線之間進行MIMO預估信道測算的比特。根據空分碼流的總數可以分為1,2,4,6 或者8 個VHT-LTF。在802.11ac中,1, 2 或者4個VHT-LTF進行直接映射,又增加了6或者8個VHT-LTF用于最大8 個空分碼流的應用。VHT-SIG-B描述了所要傳輸的數據長度、調制方式和編碼方式(即MCS)是單個用戶還是多用戶的模式。
802.11ac的測試需要
表4中列舉了802.11ac標準規范中對發射機和接收機的測試要求,這些要求跟802.11n很類似,并增加了一些針對802.11ac的新的測試項目和規范。這些規范目前還在不斷地完善過程中,要了解最新的802.11ac的規范,請訪問IEEE 的網站www.ieee802.org, 針對發射機的測試規范請參見章節22.3.19, 針對接收機的規范可參見章節22.3.20. 除此之外,還要考慮通過產品設計的功能測試和性能測試,以保證產品的性能和互通性等。
表4, 802.11ac的發射機和接收機的測試要求
|
發射機測試 (802.11ac 標準章節22.3.19) |
接收機測試 (802.11ac 標準章節22.3.20) |
|
發射頻譜模板(SEM) |
最小輸入電平敏感度 |
|
頻譜平坦度 (spectral flatness) |
鄰道抑制 |
|
發射中心頻率容差 |
非-鄰道抑制 |
|
發包一致性 |
接收機最大輸入功率 |
|
符號時鐘頻率容差 |
空閑信道檢測(CCA)靈敏度 |
|
調制精度: - 發射機載波泄漏 - 發射機星座誤差 (EVM) |
#p#分頁標題#e#
802.11ac對設計和測量的挑戰
802.11ac的一些新的特性使得測試這些產品出現新的挑戰,256QAM技術要求在接收和發射電路中有良好的矢量誤差(EVM),在星座圖測量中要求也更為復雜、精確。矢量信號分析設備,安捷倫89600 VSA軟件提供了詳細分析802.11 ac信號矢量信號的分析,以便洞察其信號出錯情況,做出更好的調整和更改,同時還支持4x4的MIMO測量。
另一個測量挑戰出現在測量數字預失真(DPD),為了改善失真,需要產生和測量占用帶寬高出3-5倍帶寬范圍內的功率放大器的線性特征。安捷倫SystemVue W1716 DPD Builder軟件能夠提供一個自動數字線性失真設計測試應用。該軟件產生一個激勵波形,下載到信號源,信號源產生的信號通過功率放大器后使用信號分析儀接受放大后的信號,并將信號解調出來,傳輸給測試電腦,軟件通過對比激勵波形和接收到的波形判斷失真情況,從而達到測量和分析功能。如下圖:
圖3. 數字預失真構建的系統配置圖

圖4. 數字預失真的實例
圖4顯示了一個802.11ac 80MHz信號經過預失真的實例。綠色波形是發射的激勵信號,藍色波形是沒有經過預失真處理的從功放輸出的信號,而紅色波形是經過預失真的結果。
設計和研發中更具挑戰的是如何能產生和分析802.11ac這樣更寬的信號。尤其在考慮器件測量、發射機測量和接收機測量時,常常用到80MHz 和160MHz的寬帶信號。
由于許多RF信號發生器并不具有足夠高的采樣率,要達到最低2倍過采樣的基本要求,在產生80MHz帶寬信號時,由于混疊現象會在信號上產生“鬼影”。然而,采用合適的濾波器和對波形文件進行過采樣這項技術,就能夠產生具有良好頻譜特性和EVM的80MHz的信號。使用Agilent N5182A MXG或者E4438C ESG信號發生器就能滿足以上需求。
要產生160MHz的信號,則要利用一個寬帶的任意波形發射器(AWG),如Agilent 81180A, M8190A, 或者M9330A,利用它們產生模擬的I/Q信號,送到一個具有外部I/Q輸入端的矢量信號發生器,如Agilent MXG, ESG 或者E8267D PSG 進行上變頻,然后通過RF頻率發射出來。同樣,利用這種方式也可以產生80+80 MHz的信號,即在兩個MXG或ESG里分別生成兩個80 MHz的信號,然后在合并在一起成為一個160MHz帶寬的RF信號。
而對于160MHz帶寬的信號分析,則可以使用Agilent 89600 VSA軟件配合Agilent N9030A PXA信號分析儀,M9392A PXI微波矢量分析模塊,M9202A PXI Digitizer,或者Agilent 示波器這些硬件前端進行分析。M9392A可以分析的信號帶寬達到250 MHz, 而M9020A可以達到800MHz。 示波器可分析的信號帶寬則更寬,可以達到1GHz以上。這些寬帶分析儀能夠滿足數字預失真的測試應用,也就是通常意義上要求的測試信號的帶寬是被測信號帶寬的3到5倍。
對于MIMO設計的測試檢驗也是另一挑戰。MIMO功能性的優劣取決于對802.11設備的設計功能要求。多信道信號的產生和分析有助于更加深入地了解MIMO設備的內在性能,并且可以幫助設計工程師進行故障查找和設計檢驗等。
對于MIMO接收機的測試, Agilent 的SystemVue WLAN 仿真庫和信號波形產生軟件(Signal Studio) 都可以產生MIMO信號。在硬件平臺上,可以同步多臺Agilent MXG或者ESG信號源仿真MIMO發射機輸出多通道的信號。信道衰落的作用也可以包含在波形文件里,進行仿真并提供給接收天線。對于MIMO發射機的測試,可以使用Agilent的Infiniium 或者Infiniivisiion 示波器配合89600B VSA分析軟件,可以分析多達4個信道的MIMO信號,具體包括每個信道的EVM和IQ測量結果,以及交叉矩陣,如頻率響應和信道特性等。Agilent 還提供了基于PXI系統的模塊化測試儀,包括M9392A PXI微波矢量測試模與M9202A數字處理模塊和下變頻模塊可以處理分析高達1GHz分析帶寬信號。

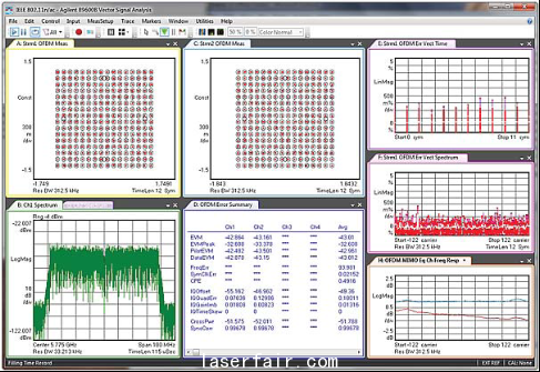
圖5.兩個信道-MIMO信號的測量結果
圖5顯示的是用Agilent 示波器和VSA軟件測試一個2-ch 802.11ac信號的結果。這個測試中的被測MIMO信號是用Signal Studio配合兩臺MXG信號源產生的。從圖上可以看到兩組信號流的EVM和IQ誤差(中下部的圖像)和頻道響應(左下部的圖像)同時顯示的結果。
結束語
隨著無線技術的發展,和人們對使用無線設備的體驗的持續要求,對無線本地網的連接,也提出同樣的要求:更快的速度和更寬的帶寬。滿足這些商業需求的同時,也增加對產品和保證規范各類產品性能及互聯互通的國際標準的復雜性,對測試測量也提出了更高的挑戰。要讓VHT WLAN產品在主流市場上取得成功,綜合的考慮設計和測量能力是非常重要的。從系統仿真工具,到能夠支持80 和160 MHz信號帶寬和256QAM調制信號的產生和分析的測量儀器,這些針對器件測量、發射機和接收機測量都非常重要。另外,以生產為設計指導方向的產品戰略將全面幫助企業達到降低測試成本、設計并生產出滿足商業用戶需求的高性價比的產品。編輯:邵火
轉載請注明出處。










相關文章
熱門資訊
精彩導讀





















關注我們




