隨著電子產品對可靠性要求的不斷提高和能源資源的日益緊縮,高可靠性和高效節能的電子產品將是未來電子產品發展的一個方向,因此在產品的電源設計上,必須要充分考慮其可靠性能和電源使用效率。
本文首先分析電子產品為什么會有開機浪涌,然后以典型的電源電路為例分析如何使用熱敏電阻抑制浪涌電流,最后介紹熱敏電阻在實際應用中應如何選型。
開機浪涌電流產生的原因
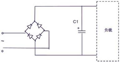
圖1是典型的電子產品電源部分簡化電路,C1是與負載并聯的濾波電容。在開機上電的瞬間,電容電壓不能突變,因此會產生一個很大的充電電流。根據一階電路零狀態響應模型所建立的一階線性非齊次方程可以求出其電流初始值相當于把濾波電容短路而得到的電流值。這個電流就是我們常說的輸入浪涌電流,它是在對濾波電容進行初始充電時產生的,其大小取決于啟動上電時輸入電壓的幅值以及由橋式整流器和電解電容其所形成的回路的總電阻。

圖1 電源示意圖
假設輸入電壓V1為220Vac,整個電網內阻(含整流橋和濾波電容)Rs=1Ω,若正好在電源輸入波形達到90度相位的時候開機,那么開機瞬間浪涌電流的峰值將達到I=220×1.414/1=311(A)。這個浪涌電流雖然時間很短,但如果不加以抑制,會減短輸入電容和整流橋的壽命,還可能造成輸入電源電壓的降低,讓使用同一輸入電源的其它動力設備瞬間掉電,對臨近設備的正常工作產生干擾。
浪涌電流的抑制
浪涌電流的抑制方法有很多,一般中小功率電源中采用電阻限流的辦法抑制開機浪涌電流。圖2是一個常見的110V/220V雙輸入電源示意圖,以此為例,我們分析一下如何使用NTC熱敏電阻進行浪涌電流的抑制。

圖2 110/220Vac雙輸入電源示意圖
NTC熱敏電阻,即負溫度系數熱敏電阻,其特性是電阻值隨著溫度的升高而呈非線性的下降。NTC在應用上一般分為測溫熱敏電阻和功率型熱敏電阻,用于抑制浪涌的NTC熱敏電阻指的就是功率型熱敏電阻器。
圖2中R1~R4為熱敏電阻浪涌抑制器通常放置的位置。對于同時兼容110Vac和220Vac輸入的雙電壓輸入產品,應該在R1和R2位置同時放兩個NTC熱敏電阻,這樣可使在110Vac輸入連接線連接時和220Vac輸入連接線斷開時的沖擊電流大小一致,也可單獨在R3或R4處放置一個NTC熱敏電阻。對于只有220Vac輸入的單電壓產品,只需在R3或R1位置放1個NTC熱敏電阻即可。
其工作原理如下:
在常溫下,NTC熱敏電阻具有較高的電阻值(一般選用5Ω或10Ω),即標稱零功率電阻值。參考圖1的例子,串接10ΩNTC時,開機浪涌電流為:I=220×1.414/(1+10)= 28(A),比未使用NTC熱敏電阻時的311A降低了10倍,有效的起到了抑制浪涌電流的作用。
開機后,由于NTC熱敏電阻迅速發熱、溫度升高,其電阻值會在毫秒級的時間內迅速下降到一個很小的級別,一般只有零點幾歐到幾歐的大小,相對于傳統的固定阻值限流電阻而言,這意味著電阻上的功耗因為阻值的下降隨之降低了幾十到上百倍,因此這種設計非常適合對轉換效率和節能有較高要求的產品,如開關電源。
斷電后,NTC熱敏電阻隨著自身的冷卻,電阻值會逐漸恢復到標稱零功率電阻值,恢復時間需要幾十秒到幾分鐘不等。下一次啟動時,又按上述過程循環。
轉載請注明出處。








相關文章
熱門資訊
精彩導讀





















關注我們




