3) 無源回饋關斷緩沖電路(圖4) : 圖中Co 為轉移電容, Dc 為回饋二極管,由這兩個元件將能量回饋到負載上。當管子關斷時,緩沖電容Cs 充電至電源電壓Vcc ,在管子下一次開通時,負載電流從續流二極管Df 轉移至晶體管。同時, Cs 上的電壓諧振到Co 上。 當管子再關斷時,電容Cs 再次充電,電容Co向負載放電,能量得到回饋。

圖4 無源回饋關斷緩沖回路
4) 無源回饋開通緩沖電路(圖5) :此電路通過變壓器將磁場貯能回饋到電源。變壓器為雙線繞制,其原邊具有一定電感;幅邊的極性與原邊相反,并且接有反向二極管。管子開通時,原邊承受全部電源電壓,副邊無通電回路。管子關斷時,副邊感應電壓極性換向,當其電壓高于電源電壓Vcc 時, 向電源饋送能量。

圖5 無源回饋開通緩沖回路
5) 復合緩沖電路: 將開通緩沖電路與關斷緩沖電路結合在一起, 則形成復合緩沖電路, 在晶體管開通和關斷時復合緩沖電路均有保護作用。這種電路也分為耗能式和饋能式兩類。
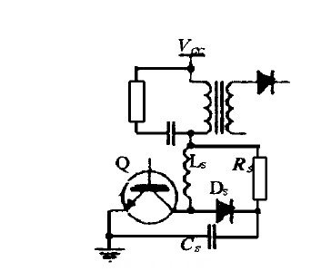
a. 耗能式復合緩沖電路(圖6) : 在管子開通時, 緩沖電容經Cs 、Rs 、Ls 回路放電, 減少了管子承受的電流上升率。此外,在管子開通時,電感Ls 還可限制續流二極管Df 的反向恢復電流。

圖6 耗能式復合緩沖回路
b. 饋能式復合緩沖電路(圖7) : 當晶體管關斷時, 電容Co和電感Ls 并聯運行,將貯存的能量饋送到負載。當電容Co 放電時,電感Ls 上的電壓逐漸減小為0 ,在這段時間內負載電流經續流二極管Df 導通。

圖7 饋能式復合緩沖回路
上述各種緩沖電路不外乎分為兩大類型, 即耗能式和饋能式。耗能式線路簡單但相對耗能較高,適合于較小功率電源使用。饋能式線路復雜, 但在大功率電源中, 如果將緩沖電路所耗散的能量以熱的形式散發, 勢必造成很大麻煩, 因此, 要采用饋能式緩沖電路。
2 結束語
有效地避免主開關管的二次擊穿是提高開關電源可靠性的關鍵, 也是值得研究的一個課題。當前, 開關電源正朝著高頻化、大功率化的方向發展, 上面所討論的問題會顯得更為突出。應引起足夠的重視。
轉載請注明出處。








相關文章
熱門資訊
精彩導讀





















關注我們




