3原理電路
RFCO2激光電源由5部分組成[1],如圖1所示。
圖1 RF CO2激光器電源原理框圖
圖1中第1部分為整流濾波電路,采用全波橋式整流與電容濾波將220V交流變為311V平滑直流。第2部分為開關電源,將311V直流變為100kHz脈沖電流,再經電容、電感濾波后變為30V、8A直流。第3部分包括由振蕩器與放大器兩部分組成的RF電路(如虛線框內所示)。將輸入直流經晶振變為40MHz,6W射頻。再經14.28dB增益的放大器,放大后輸出為40MHz,160W。第4部分為脈沖工作的調制器。第5部分為匹配網絡。
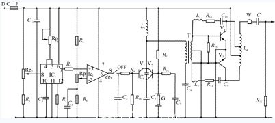
本文將重點介紹第3部分和第4部分。電路如圖2所示。振蕩器由晶體管V2、電感線圈L1、電容器C5、C7、電阻R11、R12、石英晶體振蕩器G等組成。晶體振蕩電路產生6W、40MHz正弦振蕩波,經3:1傳輸線變壓器T,推動推挽功率放大器。推挽功率放大器由晶體管V3、V4,電感L3、L2,電阻器R13、R14、R15,電容器C9、C10和變壓器T組成D類電流開關推挽放大器,兩個晶體管輪流導通。為了追求小型化,提高效率是關鍵,因而采用D類電流開關推挽放大器是一種必然結果。這一點可由下述工作過程的分析清楚地看出。
當晶體管導通時,C極電流的基波分量為最大,回路中點電壓也等于最大值Umax,在中心點處的電壓平均值等于電源電壓。因此(當UCC≈30V時),
由此得出:
Umax=(π/2)(UCC-UCS)+UCS(2)
C極回路兩端交流電壓峰值為:
UCmax=2(Umax-UCS)=π(Ucc-Ucs)(3)
基波分量振幅為:(2/π)ICC,因而回路產生基頻電壓振幅為:
UCmax=(2/π)ICCR(5)
將(3)式代入(5)式即得:
ICC=πUCmax/2R=(π2/2R)(UCC-UCS)(6)
則輸出功率:
P0=U2Cmax/2R=(π2/2R)(UCC-UCS)2(7)
DC輸出功率:
PDC=ICC.UCC=(π2/2R)(UCC-UCS)UCC(8)
C極耗散功率:
PC=PDC-P0=(π2/2R)(UCC-UCS)UCS(9)
由此得出C極效率:
ηC=P0/PDC=(UCC-UCS)/UCC(10)
可見,晶體管飽和壓降UCS越小、效率ηC則越高,若
UCS→0,則ηC→100%,這是D類電流開關推挽放大電路的優點,為此設計時應注意盡量選取飽和壓降低的功率晶體管。
脈沖工作由圖1中第4部分調制器控制。調制器的原理電路見圖2,它以IC1與IC2為主體,組成幅度鍵控調制器,屬于數字信號調幅的線性調制器[3]。連續工作時,將圖2中S開關置于OFF關斷位置。脈沖工作時,將S開關置于ON接通位置。脈沖調制的工作過程是:利用一個矩形脈沖序列的基帶信號對振蕩器晶體管V2的振蕩幅度進行控制。由控制振蕩電路的起振與停振達到調制的目的。由電位器RP4控制調制頻率,由RP7控制脈沖寬度。所以,調制頻率與調制脈寬皆可作到連續可調。
圖2RF電路原理圖
第5部分是阻抗匹配網絡。負載阻抗匹配的目的是消除不匹配負載的反射。方法是引入電抗性元件(電容、電感或傳輸線)。人為地產生一個或數個反射波。使它與原來不匹配負載產生的反射波相互抵消。使激光器的輸入阻抗與RF電源的輸出阻抗互為共軛復數。匹配網絡一般分為兩種,一種是集總參數匹配網絡,其主要形式有L型、T型、π型等[3]。這種匹配網絡的主要缺點是:插入耗損大、噪聲大、體積大。另一種是分布參數匹配網絡,是1/4波長傳輸線,這就克服了上述集總參數匹配網絡的缺點。它的理論關系比較簡單。由傳輸線任一點上的電壓和電流方程即可方便地導出下列1/4波長(或1/4波長奇數倍)阻抗交換方式為: Z0=(10)
式中Z1——電源輸出的阻抗;
Z2——激光器輸入的阻抗;
Z0——1/4傳輸線的特性阻抗。
1/4傳輸線采用SYV-50-3電纜。它一端接電源,另一端接激光頭。該RF電源如作積木式結構應用,同時可滿足輸出激光30W,60W等激光器的需要。
4結束語
最后是關于激光頭的準電感諧振技術。為了使輸入射頻沿激光器長度,電壓分布均勻,加入一對電感并聯在諧振腔上下電極之間。這樣,由于電感負導納的補償作用,使激光器沿長度上的駐波比大大下降,失配角小于9°,理論計算結果電壓不均勻度小于3%。
有關過流、過壓、過熱保護電路、顯示電路、安全延時電路、自診斷等輔助電路,本文不再一一贅述。
轉載請注明出處。








相關文章
熱門資訊
精彩導讀



















關注我們




