一、共模干擾
當現場多路信號,如4~20mA、0~10mA、1~5V同時輸入多個控制器時,如下圖所示。
對于傳感器輸出的電流信號,只經PLC和變頻器的輸入阻抗之和不大于傳感器的輸出負載阻抗即可,壓力傳感器的信號可以同時串入PLC和變頻器,如只有壓力傳感器信號,則PLC和變頻器也都可以正常接收壓力傳感器的信號。而當液位傳感器的信號也同時接入PLC和變頻器時,因PLC接收信號的-端都在變頻器的+端,當兩傳感器的信號電流不一樣時,就有可能使PLC兩-端的電位有較大的差異,就就形成了共模干擾電壓。如PLC輸入端又互相不是隔離的,則會造成PLC的模擬信號輸入端接收不正常。變頻器的兩輸入信號是在PLC的后面,其-端電位可保持在變頻器內部電路設定的狀態,問題不大。

解決的辦法如下圖所示,在PLC輸入信號的一端加裝隔離模塊,此時PLC的兩個-端中,由于一個是處于隔離狀態,所以不會出現兩個-端一高一低,與PLC內部電路不相適應的現象。

二、變頻器干擾
由于變頻器輸出的正統波中有許多高次諧波,這些諧波分量通過電源線,耦合、感應等方式傳播,嚴重時不但會造成傳感器或電子設備不能正常工作,還會造成變頻器自身出現接地故障不能正常工作。常采取的措施有以下幾項:
變頻器按說明書正確可靠接地;
變頻器載波頻率要盡是設低一此,降低諧波輻射強度,減少位移電流;
變頻器輸出側安裝輸出電抗器,減少電纜的電磁輻射和位移電流;
與變頻器連接的輸入輸出信號用隔離模塊或中間繼電器隔離開;
變頻器電源輸入側安裝輸入電抗器,減少變頻器對電網的諧波污染;
在變頻器的中間直流環節串接直流電抗器提高功率因數。
三、電源干擾
很多干擾信號是通過電源線傳播的,對于控制線路和控制裝置,其電源可采用1:1的隔離變壓器供電,并將隔離變壓器的屏蔽端可靠抗議地,如下圖所示:

四、傳感器輸出信號的抗干擾
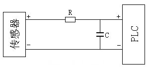
傳感器到PLC(或其它控制器)去的弱電信號,可采用阻容濾波的方法減少干擾,如下圖所示。

傳感器的輸出信號,不論是電壓還是電流,經過R、C阻容濾波,信號中的高頻干擾信號被濾掉,輸出信號就平滑了。如傳感器是電壓信號,電阻R可以大一些,1K~幾百K均可,電容C從0.1~10uF;如是電流信號,則電阻R及PLC側的輸入電阻之和不能大于傳感器的最大電阻值,多數情況下R≤500Ω,電容C的值從0.1~10uF間。
轉載請注明出處。








相關文章
熱門資訊
精彩導讀





















關注我們




