降低零部件磨耗的方法有兩大類,一類是采用硬質材料,提高耐磨性;另外一類是采用減摩材料,降低摩擦系數。本項目通過激光非平衡合成技術,在材料表面添加納米超硬質耐磨相(TiB2、TiC、 WC)和減摩相(h-BN, h-WS2, h-MoS2),快速合成金屬基耐磨減摩復合材料層,利用納米耐磨相和減摩相的小尺寸效應,將耐磨和減摩有機結合起來,這是表面工程領域的一大突破。
圖1為熔覆層的組織形貌,可以看出熔覆層內存在大量納米尺度的h-WS2和WC相,其摩擦磨損結果見圖2所示。


圖 1 激光熔覆Ni-h-WS2-WC的組織形貌

圖 2 激光熔覆層摩擦系數對比
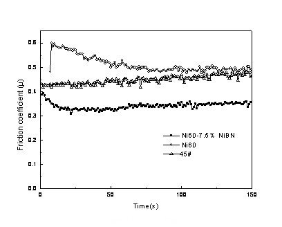
激光熔覆Ni-h-BN-WC的組織形貌見圖3所示,摩擦磨損性能見圖4和表1所示。

圖 3 激光熔覆Ni-h-BN-WC的組織

圖 4 激光熔覆Ni-h-BN-WC層的摩擦系數測定
#p#分頁標題#e#表1 激光熔覆涂層的磨損試驗結果
|
試樣編號 |
組分 |
磨損率(mg/s) |
測試條件 |
|
6 |
Ni45-10%NiBN |
0.0350 |
40N,2m,600s |
|
7 |
Ni45-7.5%NiBN |
0.0384 |
40N,2m,600s |
|
3 |
Ni45-3.75%BN |
0.0616 |
40N,2m,600s |
|
1 |
Ni45 |
0.2450 |
40N,2m,600s |
轉載請注明出處。








相關文章
熱門資訊
精彩導讀



















關注我們




