由于螺旋彈簧在各種工業應用中起著至關重要的作用,因此其制造和質量控制需要嚴格的精度和準確性。螺旋彈簧是汽車懸掛系統、電子設備、機械等的基本部件。它們的性能必須穩定可靠,才能確保這些系統順利運行。為了保持這一標準,必須利用先進的測量技術來確認這些彈簧的尺寸、形狀和其他重要參數。
線性激光傳感器用于螺旋彈簧的三維測量,是一種已證明能有效實現這一目標的方法。線激光傳感器是一種非接觸式測量設備,使用激光束獲取物體表面的精確尺寸數據。它們發射線狀結構激光,捕捉目標物體的反射光,并創建極其精確的物體表面三維點云表示。與傳統的接觸式測量技術相比,這種方法具有多項優勢。它不僅縮短了測量時間,還消除了檢測過程中對螺旋彈簧造成潛在損壞或變形的風險。此外,它還可以測量復雜的幾何形狀和輪廓,確保對螺旋彈簧進行全面的質量控制。
其中英國真尚有的線激光傳感器ZLDS202系列產品在高精密掃描測量上表現突出。作為激光非接觸式檢測領域的知名企業,英國真尚有不斷追求創新,其線激光傳感器ZLDS202系列經過幾十年的打磨,已經在軌道交通、生物醫學、機器人自動化、電子、汽車等眾多工業和科研領域成功應用,充分展示了它的測量有效性。英國真尚有ZLDS202系列Z軸線性度高達±0.05%,測量頻率高達40Khz,并且在Z軸和X軸上都具有較大的測量范圍,最大掃描寬度超1米。
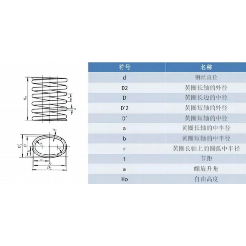
就螺旋彈簧而言,線激光傳感器ZLDS202系列可以測量它的基本參數,比如線徑、間距、自由長度和整體尺寸。這些參數對于確定彈簧的承載能力和疲勞壽命等性能特征至關重要。通過利用帶有ZLDS202系列線激光傳感器的三維測量系統,制造商可以確保他們的螺旋彈簧符合嚴格的質量要求,并在其預期的應用中表現穩定。
除了尺寸測量,英國真尚有線激光傳感器ZLDS202系列生成的三維點云數據也可以用于檢測分析螺旋彈簧結構中的表面缺陷或不規則情況,幫助識別可能影響彈簧性能或壽命的潛在問題并及時采取糾正措施。此外,線激光傳感器這種在線、非破壞性的傳感器支持制造商對螺旋彈簧進行100%全檢,能有效確保每一個彈簧都符合所需的質量標準。



